


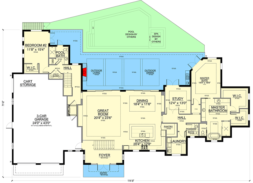
Total Heated Area
4,297 sq. ft.
1st Floor
3,254 sq. ft.
2nd Floor
1,043 sq. ft.
Porch, Front
238 sq. ft.
Balcony / Veranda
462 sq. ft.
Lanai
1,106 sq. ft.
Bedrooms
4
Full bathrooms
4
Half bathrooms
1
Standard Foundations
Slab
Exterior Walls
Block / CMU (main floor)
Optional Type(s)
2x6
Width
114' 8"
Depth
71' 0"
Max Ridge Height
37' 11"
Type
Attached
Area
1221 sq. ft.
Count
4 Cars
Entry Location
Front
Primary Pitch
5 on 12
Framing Type
Truss
Total Heated Area
4,297 sq. ft.
1st Floor
3,254 sq. ft.
2nd Floor
1,043 sq. ft.
Porch, Front
238 sq. ft.
Balcony / Veranda
462 sq. ft.
Lanai
1,106 sq. ft.
Bedrooms
4
Full bathrooms
4
Half bathrooms
1
Standard Foundations
Slab
Exterior Walls
Block / CMU (main floor)
Optional Type(s)
2x6
Width
114' 8"
Depth
71' 0"
Max Ridge Height
37' 11"
Type
Attached
Area
1221 sq. ft.
Count
4 Cars
Entry Location
Front
Primary Pitch
5 on 12
Framing Type
Truss